搜索
网站首页
关于我们
关于我们
公司简介
资质荣誉
企业文化
产品中心
产品中心
高压成套系列
低压成套系列
箱式变电站系列
成套柜体系列
电气元件系列
小型、漏电、万能式断路器系列
双电源系列
交流接触器系列
热继电器系列
控制与保护开关
刀开关系列
仪器仪表系列
高压电气元件系列
剩余电流式互感器系列
自愈式并联电力电容器系列
软起动系列
浪涌保护器系列
新闻资讯
产品应用
资料下载
联系我们
"navigation"
网站首页
关于我们
公司简介
资质荣誉
企业文化
产品中心
高压成套系列
低压成套系列
箱式变电站系列
成套柜体系列
电气元件系列
小型、漏电、万能式断路器系列
双电源系列
交流接触器系列
热继电器系列
控制与保护开关
刀开关系列
仪器仪表系列
高压电气元件系列
剩余电流式互感器系列
自愈式并联电力电容器系列
软起动系列
浪涌保护器系列
新闻资讯
产品应用
资料下载
联系我们
产品中心
Product Center
产品中心
首页
-
产品中心
-
小型、漏电、万能式断路器系列
-
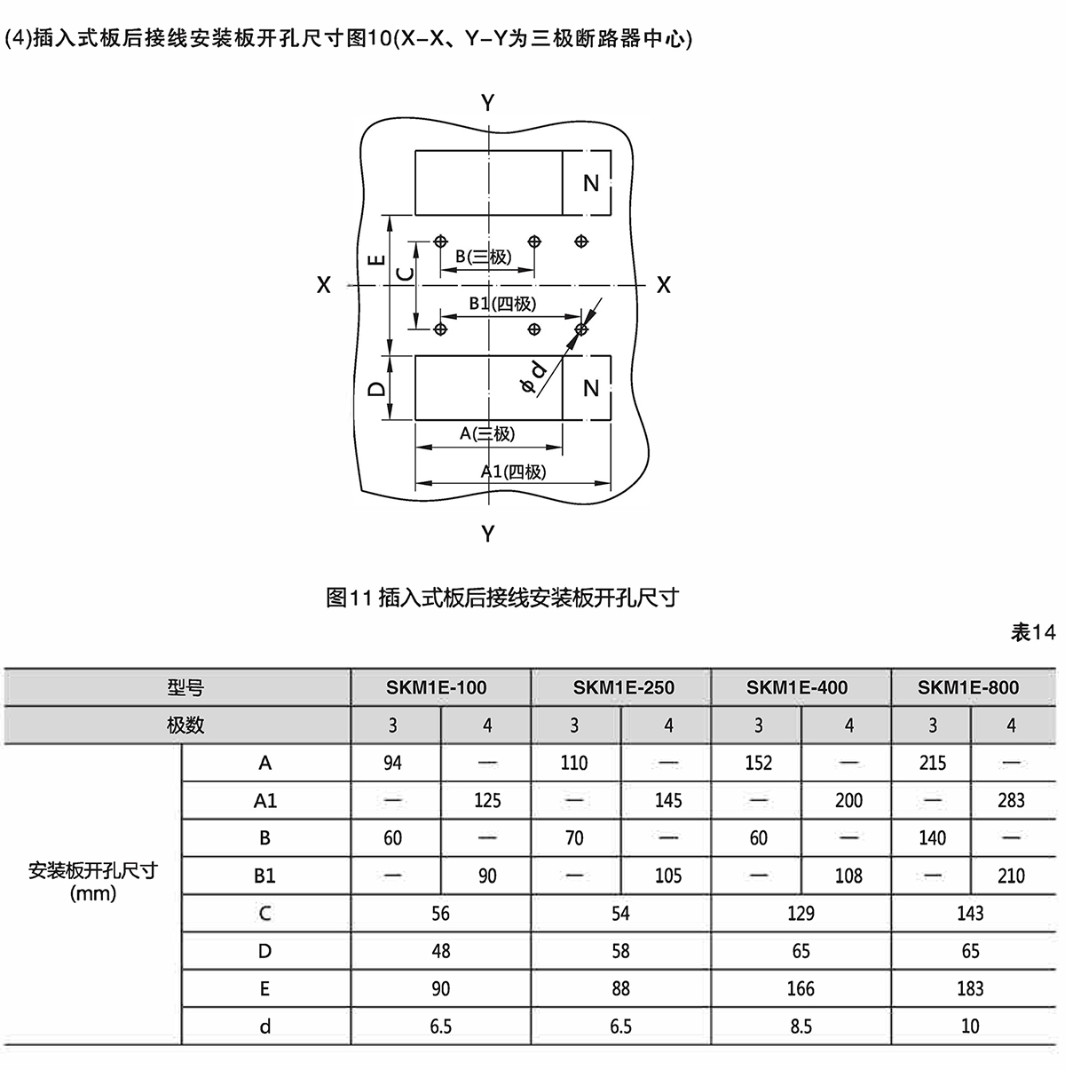
SKM1E系列塑料外壳式断路器
SKM1E系列塑料外壳式断路器
详细信息
返回
上一个:
SKM1系列塑料外壳式断路器
下一个:
SKM2系列塑料外壳式断路器
返回>>
相关产品
SKW1-1000系列万能式断路器
SKW1-系列智能型万能式断路器
SKW2-1600智能型低压万能式断路器
SKW3系列智能式万能式断路器
© 上海三开电器科技有限公司
沪ICP备10032629号
XML
网站地图
微信
咨询
网址二维码
客服
热线
021-63830666
客服热线